| Availability: | |
|---|---|
| Quantity: | |
Product Description
Mission Sandmaster Pump not only has the advantages of Magnum centrifugal pump, but also has a more compact design, stronger adaptability, and can be driven by a hydraulic motor. Therefore, it can also be used in oil field press trains and sand mixing cars. Except for the design shape and shaft, other parts are universal. Its overall dimensions and shaft are 4 inches shorter than ordinary pumps. When the equipment space is limited, Sandmaster Pump centrifugal pump is your ideal choice.

TDS
Mission Sandmaster Pump Main Technical Parameters
| Type | Rotation speed (r/min) | Capacity (m3/h) | Pressure head/m | Efficiency (%) | Motor HP.(kw) |
| HCP3×2×13 | 1450/1750 | 40-60 | 24-35 | 65 | 7.5/11/15 |
| HCP4×3×13 | 1450/1750 | 60-80 | 26-33 | 65 | 11/15 |
| HCP5×4×14 | 1450/1750 | 120-150 | 28-33 | 65 | 22/30/37 |
| HCP6×5×14 | 1450/1750 | 180-240 | 26-33 | 65 | 37/45/55 |
| HCP6×5×11 | 1450/1750 | 160-170 | 24-26 | 65 | 30/37 |
| HCP8×6×14 | 1450/1750 | 240-260 | 33-35 | 65 | 55/75 |
| HCP8×6×11 | 1450/1750 | 220-240 | 24-26 | 65 | 37/45 |
| HCP10×8×14 | 1450/1750 | 280-320 | 33-38 | 65 | 75/90 |

Mission Sandmaster Pump Features
1. Open impeller, suitable for conveying high-viscosity drilling fluid
2. Combined seal, long service life
3. The bearing seat, shaft and other parts of all models of centrifugal pumps are universal, easy to maintain and cost-saving
4. The main parts are wear-resistant ductile iron, resin sand precision casting, long service life

>>Send an Enquiry sales@hlsolidscontrol.com<<
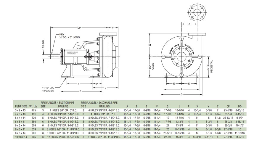
Mission Sandmaster Dimensional Data


Processing Pictures
Mission Sandmaster Pump Processing

>>Send an Enquiry sales@hlsolidscontrol.com<<
Xi'an HL Petroleum Equipment Co., Ltd. is a company specializing in the production and development of solids control equipment. It provides various types of products and supports customized services. If you are interested in Mission type centrifugal sand pump or other products, welcome to consult. You can contact our sales team to learn more about our product specifications, customization options, prices and more. We will wholeheartedly provide you with high-quality products and professional services.

FAQ
Q1: How can I make order online?
A: Send email or message(whatsApp/ wechat) us.you can ask any question ,after we confirm the detail, you can make order.
Q2: Can I buy parts separately?
A: Yes, all of the pump spare parts can buy separately.
WhatsApp: 86-13735815206
E-mail: sales@hlsolidscontrol.com